硫酸
硫酸,分子式为H2SO4。是一种无色无味油状液体,是一种高沸点难挥发的强酸,易溶于水,能以任意比与水混溶。硫酸是基本化学工业中重要产品之一。它不仅作为许多化工产品的原料,而且还广泛地应用于其他的国民经济部门。
化学品简介[编辑 | 编辑源代码]
硫酸是化学六大无机强酸(硫酸、硝酸、盐酸、氢溴酸、氢碘酸、高氯酸)之一。
中文名称:硫酸
英文名称:sulfuric acid
法文名称:Sulfate
化学式:H2SO4
CAS登录号:7664-93-9
EINECS 登录号231-639-5
分子相对质量: 98.08
成分/组成信息:硫酸 98.0%(浓)<70% (稀)
密度:98%的浓硫酸 1.84g/mL
中心原子杂化方式:sp3
pKa1: -3.00pka2:1.99
结构
化学品性质[编辑 | 编辑源代码]
浓硫酸
物理性质
浓硫酸溶解时放出大量的热,因此浓硫酸稀释时应该“酸入水,沿器壁,慢慢倒,不断搅。” 若将浓硫酸中继续通入三氧化硫,则会产生"发烟"现象,这样含有SO3的硫酸称为"发烟硫酸"。
100%的硫酸熔沸点:
熔点10℃
沸点290℃
但是100%的硫酸并不是最稳定的,沸腾时会分解一部分,变为98.3%的浓硫酸,成为338℃(硫酸水溶液的) 恒沸物。加热浓缩硫酸也只能最高达到98.3%的浓度。
98.3%硫酸的熔沸点:
熔点:10℃;
沸点:338℃
化学性质[编辑 | 编辑源代码]
◆浓硫酸[编辑 | 编辑源代码]
1.脱水性[编辑 | 编辑源代码]
⑴就硫酸而言,脱水性是浓硫酸的性质,而非稀硫酸的性质,即浓硫酸有脱水性且脱水性很强。
⑵脱水性是浓硫酸的化学特性,物质被浓硫酸脱水的过程是化学变化的过程,反应时,浓硫酸按水分
子中氢氧原子数的比(2∶1)夺取被脱水物中的氢原子和氧原子。
⑶可被浓硫酸脱水的物质一般为含氢、氧元素的有机物,其中蔗糖、木屑、纸屑和棉花等物质中的有机物,被脱水后生成
了黑色的炭(炭化)。
浓硫酸 如C12H22O11===12C + 11H2O
(4)黑面包反映
在200mL烧杯中放入20g蔗糖,加入几滴水,搅拌均匀。然后再加入15mL质量分数为98%的浓硫酸,迅速搅拌。观察实验现象。
可以看到蔗糖逐渐变黑,体积膨胀,形成疏松多孔的海绵状的炭。
2.强氧化性[编辑 | 编辑源代码]
⑴跟金属反应
①常温下,浓硫酸能使铁、铝等金属钝化。
②加热时,浓硫酸可以与除金、铂之外的所有金属反应,生成高价金属硫酸盐,本身一般被还原成SO2
Cu + 2H2SO4(浓) ==(加热)== CuSO4 + SO2↑+ 2H2O
2Fe + 6H2SO4(浓) ==== Fe2(SO4)3 + 3SO2↑ + 6H2O
在上述反应中,硫酸表现出了强氧化性和酸性。
⑵跟非金属反应
热的浓硫酸可将碳、硫、磷等非金属单质氧化到其高价态的氧化物或含氧酸,本身被还原为SO2。在这
类反应中,浓硫酸只表现出氧化性。
C + 2H2SO4(浓) ==(加热)== CO2↑ + 2SO2↑ + 2H2O
S + 2H2SO4(浓) ==== 3SO2↑ + 2H2O
2P + 5H2SO4(浓) ==== 2H3PO4 + 5SO2↑ + 2H2O
⑶跟其他还原性物质反应
浓硫酸具有强氧化性,实验室制取H2S、HBr、HI等还原性气体不能选用浓硫酸。
H2S + H2SO4(浓) ==== S↓ + SO2↑ + 2H2O
2HBr + H2SO4(浓) ==== Br2↑ + SO2↑ + 2H2O
2HI + H2SO4(浓) ==== I2↑ + SO2↑ + 2H2O
3.吸水性[编辑 | 编辑源代码]
就硫酸而言,吸水性有很多用处,比如很多的气体都可以用浓硫酸来干燥。它是良好的干燥剂。
这个与脱水性有很大的不同:脱水性一般反应前没有水,而是H、O元素以个数比2:1的形式形成水,从有机物中出来。
而吸水性则是反应前就有水,只是在此过程中硫酸做了一个干燥剂的作用。如:
CuSO4.5H2O→(H2SO4)→CuSO4+5H2O,这个反应,就是体现硫酸的吸水性,而不是脱水性,因为反应前有水。
还有在实验室制取乙烯的过程中,体现浓硫酸的吸水性,促使反应向正反应方向进行。在一些硫酸作催化剂的反应中,尤其是是浓硫酸,一般都体现硫酸的吸水性。
将一瓶浓硫酸敞口放置在空气中,其质量将增加,密度将减小,浓度降低,体积变大,这是因为浓硫酸 具有吸水性。
⑴就硫酸而言,吸水性是浓硫酸的性质,而不是稀硫酸的性质。
⑵浓硫酸的吸水作用,指的是浓硫酸分子跟水分子强烈结合,生成一系列稳定的水合物,并放出大量 的热:H2SO4 + nH2O == H2SO4.nH2O,故浓硫酸吸水的过程是物理变化的过程,吸水性是浓硫酸的物理性质。
⑶浓硫酸不仅能吸收一般的游离态水(如空气中的水),而且还能吸收某些结晶水合物(如CuSO4. 5H2O、Na2CO3.10H2O)中的水。
4.难挥发性(高沸点)[编辑 | 编辑源代码]
制氯化氢、硝酸等(原理:利用难挥发性酸制易挥发性酸) 如,用固体氯化钠与浓硫酸反应制取氯化氢气体
NaCl(固)+H2SO4(浓)====NaHSO4+HCl↑ (常温)
2NaCl(固)+H2SO4(浓)====Na2SO4+2HCl↑ (加热)
Na2SO3+H2SO4====Na2SO4+H2O+SO2↑
再如,利用浓盐酸与浓硫酸可以制氯化氢气体。
◎5酸性:制化肥,如氮肥、磷肥等
2NH3+H2SO4====(NH4)2SO4
Ca3(PO3)2+2H2SO4====2CaSO4+Ca(H2PO4)2
◎6.稳定性:浓硫酸与亚硫酸盐反应
Na2SO3+H2SO4====Na2SO4+H2O+SO2↑
◆稀硫酸[编辑 | 编辑源代码]
化学性质
◎可与多数金属(比铜活泼)氧化物反应,生成相应的硫酸盐和水;
◎可与所含酸根离子对应酸酸性比硫酸根离子弱的盐反应,生成相应的硫酸盐和弱酸;
◎可与碱反应生成相应的硫酸盐和水;
◎可与氢前金属在一定条件下反应,生成相应的硫酸盐和氢气;
◎强电解质,在水中发生电离H2SO4=2H+ + SO4 2-
常见误区[编辑 | 编辑源代码]
稀硫酸在中学阶段,一般当成H2SO4=2H+ + SO4 2-,两次完全电离,其实不是。
根据硫酸酸度系数
pKa1: -3.00
pka2:1.99
其二级电离不够充分pka2:1.99,在稀硫酸中HSO4- 〓〓可逆〓〓H+ +SO4 2-
并未完全电离,1Mol/L的硫酸一级电离完全,二级电离大概电离10%左右,也就是溶液中仍存在大量的HSO4- 。而即使是NaHSO4溶液O.1Mol/L时,硫酸氢根也只电离了30%左右。
一般制法[编辑 | 编辑源代码]
■实验室硫酸制法
可以用FeSO4.7H2O加强热,用冰水混合物+U型管冷凝即可,用NaOH吸收SO2,理论可得29.5%的H2SO4
关键在于尾气吸收。
■其他硫酸制备工艺
1、氨酸法增浓低浓度二氧化硫气体生产硫酸方法
2、采用就地再生的硫酸作为催化剂的一体化工艺
3、草酸生产中含硫酸废液的回收利用
5、从氧化钛生产过程中排出的废硫酸溶液的再生方法
7、从制备2-羟基-4-甲硫基丁酸(MHA)工艺的含硫副产物中回收硫酸的方法
8、催化氧化回收含有机物废硫酸的方法
9、电瓶用硫酸生产装置
10、二氧化硫源向硫酸的液相转化方法
11、沸腾炉焙烧硫磺制备硫酸的方法
12、沸腾炉掺烧硫磺生产装置中稀酸的回收利用
13、高浓二氧化硫气三转三吸硫酸生产方法
14、高温浓硫酸液下泵耐磨轴套
15、高效阳极保护管壳式浓硫酸冷却器
16、节能精炼硫酸炉装置
17、精苯再生酸焚烧制取硫酸的方法
18、利用废硫酸再生液的方法和装置
19、利用含硫化氢的酸性气体与硫磺联合制取高浓度硫酸
20、利用含硫化氢的酸性气体制取高浓度硫酸
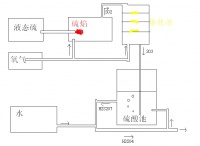
工业制法[编辑 | 编辑源代码]
生产硫酸的原料有硫黄、硫铁矿、有色金属冶炼烟气、石膏、硫化氢、二氧化硫和废硫酸等。硫黄、硫铁矿和冶炼烟气是三种主要原料。
1.燃烧硫或高温处理黄铁矿,制取二氧化硫
S+O2=(点燃)SO2
4FeS2+11O2=(高温)8SO2+2Fe2O3
2.接触氧化为三氧化硫
2SO2+O2=(△,V2O5)2SO3(该反应为可逆反应)
3.用98.3%硫酸吸收
SO3+H2SO4=H2S2O7(焦硫酸)
4.加水
H2S2O7+H2O=2H2SO4
■提纯工艺
可将工业浓硫酸进行蒸馏,便可得到浓度95%-98%的商品硫酸.
其他方法
磷酸反应后,利用磷石膏,工业循环利用,使用二水法制硫酸。
硫酸新成员[编辑 | 编辑源代码]
固体硫酸 :是粉末制剂的固体酸类,可以替代硫酸的常规酸洗工艺,主要用于清除各种钢铁、不锈钢、铜、铝等金属零件及其设备表面的锈、氧化皮、水垢、灰垢等污物,特别是钢铁热扎、冷扎过程中生成的高温难清除氧化皮,清洗效果可以跟硫酸酸洗相媲美,最终使产品表面清洁干净;清洗过程中没有烟雾产生,大大改善生产环境;对金属的几乎没有腐蚀,对操作人员、设备、环境没有任何危害。
发烟硫酸:H2SO4.XSO3即硫酸的三氧化硫溶液
无色至浅棕色粘稠发烟液体,其密度、熔点、沸点因SO3含量不同而异。
当它暴露于空气中时,挥发出来的SO3和空气中的水蒸汽形成硫酸的细小露滴而冒烟,所以称之为发烟硫酸。
一般含SO3的质量分数有20%、40%、60%、66%等。若折合成硫酸的质量分数则发烟硫酸中H2SO4可超过100%。有人认为发烟硫酸中主要含焦硫酸(H2S2O7)。具强氧化性和吸水性,脱水性及腐蚀性。用于合成染料、药物。常用做磺化剂和吸水及脱水剂。
发烟硫酸中的物质成分复杂,除了硫酸和三氧化硫外,还有焦硫酸(H2S2O7)、二聚硫酸(H4S2O8)三聚硫酸(H6S3O12)及H4S3O15、H2S3O10、(H2SO4)20等各种各样的硫酸聚合物。
20%发烟硫酸可在接触法的硫酸厂中生产,就是在98.3%硫酸吸收塔前设置发烟硫酸吸收塔,以20%发烟硫酸吸收转化后含三氧化硫7%~10%的气体,同时向循环酸中补加98.3%硫酸,使其浓度保持不变。65%发烟硫酸可由20%发烟 硫酸和液体三氧化硫混合而得,或仿照20%发烟硫酸的制造方法,建立以65%发烟硫酸循环喷淋的吸收塔,吸收100%三氧化硫气体,并补加20%发烟硫酸,以调节循环酸浓度。
缓慢加入纯碱-消石灰溶液中,并不断搅拌,反应停止后,用大量水冲入废水系统。
注:这是工业俗称,准确的化学语言应该是挥发出雾。应该叫发雾硫酸。
化学品的检验[编辑 | 编辑源代码]
■所需药品
经过盐酸酸化的氯化钡溶液
■检验方法
使用经过盐酸(HCl)酸化的的氯化钡(BaCl2)。向待测物溶液滴入几滴经过盐酸酸化的氯化钡溶液,震荡,如果产生白色沉淀,则证明它是硫酸。
■注意:
先滴加盐酸,清除溶液中的银离子,否则会干扰检验,也不可以用硝酸钡检验,硝酸根离子在酸性条件下可以将亚硫酸根离子氧化为硫酸根离子,干扰检验。
■反应原理
◆硫酸根离子跟钡离子能生成不溶于硝酸(或盐酸)的白色硫酸钡沉淀。例如:
H2SO4+BaCl2====BaSO4↓+2HCl
Na2SO4+BaCl2====BaSO4↓+2NaCl
Ba2+ +SO42-====BaSO4↓(离子方程式)
◆其他阴离子也有跟钡离子生成白色沉淀的。例如:
Na2CO3+BaCl2====BaCO3↓+2NaCl
BaCO3外观为白色沉淀与BaSO4不易区分,但它能跟盐酸(HCl)反应而溶解。
BaCO3+2HNO3====Ba(NO3)2+CO2↑+H2O
BaCO3+2HCl====BaCl2+CO2↑+H2O
工业用硫酸的分类[编辑 | 编辑源代码]
目前工业用的硫酸一般可分为工业级,化学纯CP,分析纯AR,MOS级等级别
由于硫酸能与水以任意比例互溶,所以每个厂家所涉及的硫酸含量都有所不同,一般工业上用的工业级硫酸含量在10%,30%,50%,98%;CP级与AR级的硫酸含量一般为98%。
化学品的应用 ■为农业生产服务
◆用于肥料的生产硫酸铵(俗称硫铵或肥田粉)和过磷酸钙(俗称过磷酸石灰或普钙)这两种化肥的生产都要消耗大量的硫酸。
2NH3+H2SO4====(NH4)2SO4
每生产一吨硫酸铵,就要消耗硫酸(折合成100%计算)760kg,每生产一吨过磷酸钙,就要消耗硫酸360kg。
◆用于农药的生产许多农药都要以硫酸为原料如硫酸铜、硫酸锌可作植物的杀菌剂,硫酸铊可作杀鼠剂,硫酸亚铁、硫酸铜可作除莠剂。最普通的杀虫剂,如1059乳剂(45%)和1605乳剂(45%)的生产都需用硫酸。前者每生产1t,需消耗20%发烟硫酸1.4t后者每生产1t,需消耗硫酸36kg。为大家所熟悉的滴滴涕,每生产1t需要20%发烟硫酸1.2t。
■为工业生产服务
◆用于冶金工业和金属加工在冶金工业部门,特别是有色金属的生产过程需要使用硫酸。例如用电解法精炼铜、锌、镉、镍时,电解液就需要使用硫酸,某些贵金属的精炼,也需要硫酸来溶解去夹杂的其他金属。在钢铁工业中进行冷轧、冷拔及冲压加工之前,都必须用硫酸清除钢铁表面的氧化铁。在轧制薄板、冷拔无缝钢管和其他质量要求较高的钢材,都必须每轧一次用硫酸洗涤一次。另外,有缝钢管、薄铁皮、铁丝等在进行镀锌之前,都要经过用硫酸进行酸洗手续。在某些金属机械加工过程中,例如镀镍、镀铬等金属制件,也需用硫酸来洗净表面的锈。在黑色冶金企业部门里,需要酸洗的钢材一般约占钢总产量的5%~6%,而每吨钢材的酸洗,约消费98%的硫酸30kg~50kg。
◆用于石油工业汽油、润滑油等石油产品的生产过程中,都需要浓硫酸精炼,以除去其中的含硫化合物和不饱和碳氢化合物。每吨原油精炼需要硫酸约24kg,每吨柴油精炼需要硫酸约31kg。石油工业所使用的活性白土的制备,也消耗不少硫酸。
◆在浓缩硝酸中,以浓硫酸为脱水剂;氯碱工业中,以浓硫酸来干燥氯气、氯化氢气等;无机盐工业中,如冰晶石(Na3AlF6)、硼砂(Na2B4O7.10H2O)、磷酸三钠(Na3PO4)、磷酸氢二钠(Na2HPO4)、硫酸铅(PbSO4)、硫酸锌、硫酸铜、硫酸亚铁以及其他硫酸盐的制备都要用硫酸。许多无机酸如磷酸、硼酸、铬酸(H2CrO4,有时也指CrO3)、氢氟酸、氯磺酸(ClSO3H);有机酸如草酸[(COOH)2]、醋酸(CH3COOH)等的制备,也常需要硫酸作原料。此外炼焦化学工业(用硫酸来同焦炉气中的氨起作用副产硫酸铵)、电镀业、制革业、颜料工业、橡胶工业、造纸工业、油漆工业(有机溶剂的制备)、工业炸药和铅蓄电池制造业等等,都消耗相当数量的硫酸。
■对解决人民“穿”与“用”等问题所起的作用
◆用于化学纤维的生产为人民所熟悉的粘胶丝,它需要使用硫酸、硫酸锌、硫酸钠的混合液作为粘胶抽丝的凝固浴。每生产1t粘胶纤维,需要消耗硫酸1.2t~1.5t,每生产1t维尼龙短纤维,就要消耗98%硫酸230kg,每生产1t卡普纶单体,需要用1.6t20%发烟硫酸。此外,在尼龙、醋酸纤维、聚丙烯腈纤维等化学纤维生产中,也使用相当数量的硫酸。
◆用于化学纤维以外的高分子化合物生产塑料等高分子化合物,在国民经济中越来越占有重要的地位。每生产1t环氧树脂,需用硫酸2.68t,号称“塑料王”的聚四氟乙烯,每生产1t,需用硫酸1.32t;有机硅树胶、硅油、丁苯橡胶及丁腈橡胶等的生产,也都要使用硫酸。
◆用于染料工业几乎没有一种染料(或其中间体)的制备不需使用硫酸。偶氮染料中间体的制备需要进行磺化反应,苯胺染料中间体的制备需要进行硝化反应,两者都需使用大量浓硫酸或发烟硫酸。所以有些染料厂就设有硫酸车间,以配合需要。
◆用于日用品的生产生产合成洗涤剂需要用发烟硫酸和浓硫酸。塑料的增塑剂(如苯二甲酸酐和苯二甲酸酯)、赛璐珞制品所需的原料硝化棉,都需要硫酸来制备。玻璃纸、羊皮纸的制造,也需要使用硫酸。此外,纺织印染工业、搪瓷工业、小五金工业、肥皂工业、人造香料工业等生产部门,也都需要使用硫酸。
◆用于制药工业磺胺药物的制备过程中的磺化反应,强力杀菌剂呋喃西林的制备过程中的硝化反应,都需用硫酸。此外,许多抗生素的制备,常用药物如阿斯匹林、咖啡因、维生素b2、b12及维生素c、某些激素、异烟肼、红汞、糖精等的制备,无不需用硫酸。
■对巩固国防方面所起的作用
某些国家硫酸工业的发展,曾经是和军用炸药的生产紧密连结在一起的。无论军用炸药(发射药、爆炸药)或工业炸药,大都是以硝基化物或硝酸酯为其主要成分。主要的有硝化棉、三硝基甲苯(tnt)、硝化甘油、苦味酸等。虽然这些化合物的制备是依靠硝酸,但同时必须使用浓硫酸或发烟硫酸。
■与原子能工业及火箭技术的关系
原子反应堆用的核燃料的生产,反应堆用的钛、铝等合金材料的制备,以及用于制造火箭、超声速喷气飞机和人造卫星的材料的钛合金,都和硫酸有直接或间接的关系。从硼砂制备硼烷的过程需要多量硫酸。硼烷的衍生物是最重要的一种高能燃料。硼烷又用做制备硼氢化铀用来分离铀235的一种原料。 由此可见,硫酸与国防工业和尖端科学技术都有着密切的关系。
■农业土质方面
在农业生产中,越来越多地采用硫酸改良高pH值的石灰质土壤。过去20年来,尿素-硫酸肥料的产量大幅度提高并在美国西部诸州的土壤中广泛施用。将硫酸注入牛奶场湖泊,改变湖水pH值,可解决圈养牲畜过程产生的若干空气和水质问题,将硫酸施入农用土壤和水中,其主要作用是溶解钙、镁的碳酸盐和碳酸氢盐。这些钙、镁盐然后取代可交换的钠盐,钠盐随后用水浸洗除去。当碳酸盐和碳酸氢盐被分解后,硫酸与更惰性的物质反应,释放出磷、铁等植物养分。简单地降低土壤的pH值可引起许多元素溶解度的变化,提高它们对植物的效力。在高pH值的石灰质土壤上施用硫酸,可使植物更加健壮,收成增加。
相关应急措施[编辑 | 编辑源代码]
■急救措施
◆皮肤接触:先用干布拭去,然后用大量水冲洗,最后用3%-5%NaHCO3溶液冲洗,严重时应立即送医院。
◆眼睛接触: 立即提起眼睑,用大量流动清水或生理盐水彻底冲洗至少15分钟。就医。
◆吸入: 迅速脱离现场至空气新鲜处。保持呼吸道通畅。如呼吸困难,给输氧。如呼吸停止,立即进行人工呼吸。就医。
◆食入: 用水漱口,给饮牛奶或蛋清。就医。
◆注意:若皮肤直接接触.用棉布先吸去皮肤上的硫酸,再用大量流动清水冲洗,最后用0.01%的苏打水(或稀氨水)浸泡.切勿直接冲洗!
■消防措施
◆危险特性: 遇水大量放热, 可发生沸溅。与易燃物(如苯)和可燃物(如糖、纤维素等)接触会发生剧烈反应,甚至引起燃烧。遇电石、高氯酸盐、雷酸盐、硝酸盐、苦味酸盐、金属粉末等猛烈反应,发生爆炸或燃烧。有强烈的腐蚀性和吸水性。
◆有害燃烧产物:二氧化硫。
◆灭火方法: 消防人员必须穿全身耐酸碱消防服。
◆灭火剂:干粉、二氧化碳、砂土。避免水流冲击物品,以免遇水会放出大量热量发生喷溅而灼伤皮肤。
■泄漏应急处理
应急处理: 迅速撤离泄漏污染区人员至安全区,并进行隔离,严格限制出入。建议应急处理人员戴自给正压式呼吸器,穿防酸碱工作服。不要直接接触泄漏物。尽可能切断泄漏源。防止流入下水道、排洪沟等限制性空间。小量泄漏:用砂土、干燥石灰或苏打灰混合。也可以用大量水冲洗,洗水稀释后放入废水系统。大量泄漏:构筑围堤或挖坑收容。用泵转移至槽车或专用收集器内,回收或运至废物处理场所处置。
注意事项[编辑 | 编辑源代码]
■危险性概述
◆健康危害: 对皮肤、粘膜等组织有强烈的刺激和腐蚀作用。蒸气或雾可引起结膜炎、结膜水肿、角膜混浊,以致失明;引起呼吸道刺激,重者发生呼吸困难和肺水肿;高浓度引起喉痉挛或声门水肿而窒息死亡。口服后引起消化道烧伤以致溃疡形成;严重者可能有胃穿孔、腹膜炎、肾损害、休克等。皮肤灼伤轻者出现红斑、重者形成溃疡,愈后癍痕收缩影响功能。溅入眼内可造成灼伤,甚至角膜穿孔、全眼炎以至失明。慢性影响:牙齿酸蚀症、慢性支气管炎、肺气肿和肺硬化。
环境危害: 对环境有危害,对水体和土壤可造成污染。
◆燃爆危险: 本品助燃,具强腐蚀性、强刺激性,可致人体灼伤。
■操作处置
密闭操作,注意通风。操作尽可能机械化、自动化。操作人员必须经过专门培训,严格遵守操作规程。建议操作人员佩戴自吸过滤式防毒面具(全面罩),穿橡胶耐酸碱服,戴橡胶耐酸碱手套。远离火种、热源,工作场所严禁吸烟。远离易燃、可燃物。防止蒸气泄漏到工作场所空气中。避免与还原剂、碱类、碱金属接触。搬运时要轻装轻卸,防止包装及容器损坏。配备相应品种和数量的消防器材及泄漏应急处理设备。倒空的容器可能残留有害物。稀释或制备溶液时,应把酸加入水中,避免沸腾和飞溅。
■储存
储存于阴凉、通风的库房。库温不超过35℃,相对湿度不超过85%。保持容器密封。应与易(可)燃物、还原剂、碱类、碱金属、食用化学品分开存放,切忌混储。储区应备有泄漏应急处理设备和合适的收容材料。
■废弃处置
废弃处置方法: 缓慢加入碱液-石灰水中,并不断搅拌,反应停止后,用大量水冲入废水系统。
废弃注意事项:
■运输注意相关
◆危险货物编号: 81007
◆UN编号: 1830
◆包装类别: O51
◆包装方法: 耐酸坛或陶瓷瓶外普通木箱或半花格木箱;磨砂口玻璃瓶或螺纹口玻璃瓶外普通木箱。
◆运输注意事项: 本品铁路运输时限使用钢制企业自备罐车装运,装运前需报有关部门批准。铁路非罐装运输时应严格按照铁道部《危险货物运输规则》中的危险货物配装表进行配装。起运时包装要完整,装载应稳妥。运输过程中要确保容器不泄漏、不倒塌、不坠落、不损坏。严禁与易燃物或可燃物、还原剂、碱类、碱金属、食用化学品等混装混运。运输时运输车辆应配备泄漏应急处理设备。运输途中应防曝晒、雨淋,防高温。公路运输时要按规定路线行驶,勿在居民区和人口稠密区停留。
法律法规相关[编辑 | 编辑源代码]
化学危险物品安全管理条例 (1987年2月17日国务院发布),化学危险物品安全管理条例实施细则 (化劳发[1992] 677号),工作场所安全使用化学品规定 ([1996]劳部发423号)等法规,针对化学危险品的安全使用、生产、储存、运输、装卸等方面均作了相应规定;常用危险化学品的分类及标志 (GB 13690-92)将该物质划为第8.1 类酸性腐蚀品。
硫酸的发现[编辑 | 编辑源代码]
据我国科学家考证,在公元650~683年(唐高宗时),炼丹家孤刚子在其所著《黄帝九鼎神丹经诀》卷九中就记载着“炼石胆取精华法”,即干馏石胆(胆矾)而获得硫酸。若用化学方程式表示则为:
CuSO4.5H2O====CuSO4+5H2O
CuSO4====CuO+SO3↑
SO3+H2O====H2SO4
这一发现比西方早五六百年。
孤刚子不仅用这种硫酸分解过金矿,而且还发现了硫酸参与的许多惊奇的变化,如他知道稀硫酸对铜不能腐蚀的性质。
8世纪阿拉伯炼金家贾比尔发现,将硝石和绿矾一起蒸馏,所得气体溶于水得硫酸。后来人们还发现某些矿泉中有浓厚的硫磺味道,可治疗皮肤病,这是因为河水长期接触硫铁矿(FeS2)等,被缓慢氧化成微量H2SO4,使河水味道发酸。这个变化可表示为:
2FeS2+7O2+2H2O ====2H2SO4+2FeSO4
至于用硫磺燃烧(通过铅室法)制硫酸,则是17世纪以后的事,而用接触法制硫酸则更是19世纪以后才出现的。
硫酸纯品为透明、无色、无嗅的油状液体,有杂质颜色变深,甚至发黑。分子式H2SO4。分子量:98.08。其相对密度及凝固点也随其含量变化而不同。相对密度1.841(96~98%)。凝固点10.35℃(100%)、3℃(98%)、-32℃(93%)、-38℃(78%)、-44℃(74%)、-64℃(65%)。沸点290℃。蒸气压0.13kPa(145.8℃)。对水有很大亲和力。从空气和有机物中吸收水分。与水、醇混合产生大量热,体积缩小。用水稀释时因把酸加到稀释水中,以免酸沸溅。加热到340℃分解成三氧化硫和水。
标准
车间空气卫生标准: 中国MAC硫酸及三氧化硫 2mg/m^3; 美国ACGIH硫酸TLVTWA1mg/m^3,STEL 3mg/m^3
危规:硫酸GB8.1 类81007。原铁规:一级无机酸性腐蚀物品。UN NO.1830。IMDG CODE 8220页,8类。
发烟硫酸:GB8.1 类81006。原铁规:一级无机酸性腐蚀物品,91006。UN NO.1831。IMDG CODE 8221页,8类。
废硫酸:GB8.1 类81009。UN NO.1832。IMDG CODE 8222页,8类。
淤渣硫酸:GB8.1 类81009。UN NO.1906。IMDG CODE 8210页,8类。
包装标志:腐蚀品。包装方法:(II)类。玻璃瓶外木箱,酸坛外木格箱或铁罐车运输。储运条件:硫酸应单独储存于通风、阴凉和干燥的地方,并有耐酸地坪。避免日光直射。远离火源。储槽应有足够的通气孔,四周有“堤坝”围住,以防储罐泄漏。严禁与铬酸盐、氯酸盐、电石、氟化物、高氯酸盐、雷酸盐、硝酸盐、苦味酸盐、金属粉末、可燃物共储混运。工作人员须穿戴耐酸工作服、橡皮围裙、长统靴、手套及防护眼镜和口罩。仓库附近应装有消防龙头及水管。装运时勿把水直接倒入硫酸,以防酸液爆炸性反应。
硫酸是重要的基础化工原料之一,是化学工业中最重要的产品,主要用于制造无机化学肥料,其次作为基础化工原料用于有色金属的冶炼、石油精炼和石油化工、纺织印染、无机盐工业、某些无机酸和有机酸、橡胶工业、油漆工业以及国防军工、农药医药、制革、炼焦等工业部门,此外还用于钢铁酸洗。
硫酸的特性及安全使用
(一)理化性状和用途
无色油状腐蚀性液体,有强烈的吸湿性。密度:1.8,熔点10.4℃,沸点: 280℃。用于制造硫酸铵、磷酸、硫酸铝合成药物、合成染料、合成洗涤剂合金属酸洗剂。
(二)毒性
属中等毒类。对皮肤粘膜具有很强的腐蚀性。
最高容许浓度:2 mg/m3
(三)短期过量暴露的影响
吸入:吸入高浓度的硫酸酸雾能上呼吸道刺激症状,严重者发生喉头水肿、支气管炎甚至肺水肿。
皮肤接触:局部刺痛,皮肤由潮红转为暗褐色。
口服:误服硫酸后,口腔、咽部、胸部和腹部立即有剧烈的灼热痛,唇、口腔、咽部均见灼伤以致形成溃疡,呕吐物及腹泻物呈黑色血性,胃肠道穿孔。口服浓硫酸致死量约为5毫升。
(四)长期暴露的影响
长期接触硫酸雾者,可有鼻粘膜萎缩伴有嗅觉减退或消失、慢性支气管炎和牙齿酸蚀等症状。
(五)火灾和爆炸
本品虽不燃,但很多反应却会起火或爆炸,如与金属会产生可燃性气体,与水混合会大量放热。着火时立刻用干粉、泡沫灭火等方法。
(六)化学反应性
本品为强氧化剂,与可燃性、还原性物质激烈反应。
(七)人身防护
吸入:硫酸雾浓度超过暴露限值,应佩戴防酸型防毒口罩。
眼睛:带化学防溅眼镜。
皮肤:戴橡胶手套,穿防酸工作服和胶鞋。工作场所应设安全淋浴和眼睛冲洗器具。
(八)急救
吸入: 将患者移离现场至空气新鲜处,有呼吸道刺激症状者应吸氧。
眼睛:张开眼睑用大量清水或2%碳酸氢钠溶液彻底冲洗。
皮肤:用大量清水冲洗20分钟以上。
注:所有患者应请医生或及时送医疗机构治疗。
(九)储藏和运输
与可燃性和还原性及强碱物质分开。
包装号为5(甲)、8(甲)(十)。
(十)安全和处理
注意对硫酸雾的控制,加强通风排气。车间内要有方便的冲洗器具。
注:在稀释酸时决不可将水注入酸中,只能将酸注入水中。
【对环境的影响】
一、健康危害
侵入途径:吸入、食入。
健康危害:对皮肤、粘膜等组织有强烈的刺激和腐蚀作用。对眼睛可引起结膜炎、水肿、角膜混浊,以致失明;引起呼吸道刺激症状,重者发生呼吸困难和肺水肿;高浓度引起喉痉挛或声门水肿而死亡。口服后引起消化道的烧伤以至溃疡形成。严重者可能有胃穿孔、腹膜炎、喉痉挛和声门水肿、肾损害、休克等。慢性影响有牙齿酸蚀症、慢性支气管炎、肺气肿和肺硬化。
二、毒理学资料及环境行为
毒性:属中等毒性。
急性毒性:LD5080mg/kg(大鼠经口);LC50510mg/m3,2小时(大鼠吸入);320mg/m3,2小时(小鼠吸入)
危险特性:与易燃物(如苯)和有机物(如糖、纤维素等)接触会发生剧烈反应,甚至引起燃烧。能与一些活性金属粉末发生反应,放出氢气。遇水大量放热,可发生沸溅。具有强腐蚀性。
燃烧(分解)产物:氧化硫。
我国烟气脱硫技术与应用[编辑 | 编辑源代码]
我国烟气脱硫控制技术的研究开发始于60年代初,对燃煤电厂、燃煤工业锅炉和冶金废气开展了烟气脱硫工艺研究、设备研制,取得实验室小试和现场中试结果。80年代以来,开展了一系列研究、开发和产业化工作。原国家科委组织了“七五”和“八五”攻关项目,对国际上现有脱硫技术主要方法进行研究和实用性工程装置实验;国家自然科学基金委员会设立课题支持脱硫技术的基础研究,取得了很多成绩。目前我国自行研究开发的烟气脱硫方法,尚处在工业化示范试验阶段。国家科技部在“九五”期间,组织“中小锅炉实用脱硫防尘技术与装备研究及产业化”攻关课题,其中包括针对燃煤电厂烟气脱硫技术,采用脉冲电晕等离子体烟气脱硫新技术研究;与此同时,引进了脱硫技术项目,进行示范规模试验和工业化运行应用。
我国电厂烟气脱硫技术起步于1961年,科研院所和高等院校相继投入研究开发力旦,进行于法、湿法和半干法等等的烟气脱硫的探索研究,国家科技部(原国家科委)“七五” “八五”和“九五”的脱硫专项支持取得极好进展。但目前我国自行开发的烟气脱硫工程,尚处在小试、中试阶段。工业化、产业化技术不多。
